溫州弘凌泵閥有限公司
客服1:0577-67987292
客服2:0577-67987270
傳真:0577-67987252
手機:13355776372
地址:浙江省永嘉縣甌北鎮浦西工業區
2X,2XZ旋片式真空泵的工作原理說明
時間:2018-3-15 13:17:18來源:http://www.meideweixiu.com作者:弘凌泵閥
一、旋片式真空泵用途:
1、旋片式真空泵是用以抽除特定密封容器內的氣體,使該容器獲得一定真空的基本設備,由于現代科學技術的高度發展,真空泵的應用遍及各個科學領域和各種企業事業單位,可供冶金、化工、輕工、石油、療、制藥、印染、電器、電真空、半導體、食品、原子能、紡織等科研機關、大專院孝工礦企業作科研和生產與教學之用。
2、由于旋片式真空泵是用黑色金屬制造,而且比較精密,整個泵的工作都是聯系在一起的,所以旋片式真空泵不適用于抽除含氧過高的、有毒的、有爆炸性的浸蝕黑色金屬的和對真空油起化學作用的各種氣體,也不可做為壓縮機和輸送泵使用。如有氣鎮裝置的泵,可抽除一定地的可凝汽體。
3、旋片式真空泵可以用來直接獲得真空度在103托以下的真空作業,以及配合其它真空作業之用。
4、旋片式真空泵一般在不低于5度的室溫及不高于90%的相對溫度的環境內使用。
二、真空泵廠生產的兩種旋片式真空泵:
1、2X型旋片式真空泵:
2X型臥式皮帶式真空泵用來抽除密閉容器的氣體的基本設備之一。它可以單獨使用,也可作為增壓泵、擴散泵、分子泵的前級泵使用。該型泵廣泛應用于冶金、機械、電子、化工、石油、醫藥等行業的真空冶煉、真空鍍膜、真空熱處理,真空干燥等工藝過程中。
2、2XZ型旋片式真空泵:
2XZ型真空泵具有結構緊湊,體積小,重量輕,噪音低,振動小等優點。所以,它適用于作擴散泵的前級泵,而且更適用于精密儀器配套和實驗室使用。例如:質譜儀器,冰箱流水線,真空冷凍干燥機等。
三、旋片式真空泵的工作原理說明:
5、圖1是旋片式真空泵泵原理圖,轉子3及7與高真空室外1及低真空室6相切,轉子3及7沿箭頭方向旋轉,帶動轉子槽內滑動的轉片旋轉,由于彈簧9及離心力的作用, 轉片外端緊貼高低真空室的內表面滑動,把轉子與高低真空室所形成的月洼形空間從進氣嘴2到排氣閥門5和從過氣管4到排氣閥門10之間分隔開來,形成二或三個容積,并且周期性的大小變化,當在圖示旋片式真空泵位置繼續旋轉時A及C容積逐漸增大,被抽容積氣體沒進氣嘴進入泵內,同時B及D容積逐漸減少,壓力升高,隨后沖開排氣閥門5及10,將氣體排出真空室外,氣體經過油面而排于大氣之中,因為油是淹住排氣門的,故能防止氣體返回真空室。當抽氣壓強較高時,高低真空室的閥門都排氣,相當于單級泵,當真空度較高時,全部氣體進入真空室,再由排氣閥門10排出,此時二級串聯即進入雙級泵工作。
如被抽除的氣體中含有較高的蒸汽氣體時,在氣體受到壓縮而其蒸汽的分壓強超過此蒸汽在泵內溫度下的飽和壓強時,此時蒸氣被壓縮成為液體,旋片式真空泵無法排出,而混在真空油內,使泵的性能大大降低。如果摻入適量的空氣,使蒸汽在受到壓縮時,其分壓強也低于泵溫的飽和壓強,則蒸汽在變成液體前就能被排出泵外去,故本系列2X-4以上的泵都裝有能放入一定量氣體的摻氣閥11見圖1
|
|
1
|
高真空室外
|
2
|
進氣嘴
|
3
|
轉子
|
4
|
過氣管
|
5
|
排氣閥門
|
|
6
|
低真空室
|
7
|
轉子
|
8
|
刮片
|
9
|
彈簧
|
10
|
排氣閥門
|
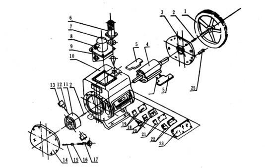
6、2X系列的各種真空泵的外形和結構是基本相同的,泵由電機經三角皮帶傳動到轉子。電動機和泵用螺釘卡板固定在底盤上。
2X旋片式真空泵由泵體、高轉子、低轉子、前端板、后端板、高轉片、低轉片、排氣閥、排氣罩、視鏡等零部件組成。見圖2、圖3。
在2X旋片式真空泵體內壓入一個中隔板、將真空泵殼分成高低真空室,各室都有排氣門,高真空室排氣與低真空氣相通。高轉子前端伸出前軸;后端伸出后軸。前軸通過前端板的軸承支持、經過油密封室而伸出前端板外:后軸由中隔板上的軸承支持。而伸入低真空室內,低真空室轉子則裝在后軸上、故高低轉子均由前軸帶動。高低轉子都有對開的槽子,呈“T”形的旋片由彈簧支撐開而裝于槽內。2X旋片式真空泵的進氣口處有過濾網,而排氣口處有擋油網,視鏡左邊有摻氣閥,下邊有放油塞。
|
(圖2)2X旋片式真空泵附表
|
氣體路徑
|
3
|
過濾網
|
8
|
彈子
|
13
|
排氣罩
|
18
|
后端板
|
23
|
水蓋板
|
|
|
—→高真空路徑
|
4
|
皮帶輪
|
9
|
前軸
|
14
|
排氣罩墊
|
19
|
低轉子
|
24
|
排氣閥片
|
|
|
—→高真空路徑
|
5
|
前端板
|
10
|
油密封室
|
15
|
擋油網
|
20
|
冷卻水接頭
|
25
|
視窗
|
|
|
1
|
進氣嘴
|
6
|
高轉片
|
11
|
彈簧
|
16
|
泵殼
|
21
|
鍵
|
26
|
摻氣閥
|
|
2
|
密封圈
|
7
|
高轉子
|
12
|
定位銷釘
|
17
|
中隔板
|
22
|
底轉片
|
27
|
放油塞
|
|
|
1
|
皮帶輪
|
6
|
排氣咀
|
11
|
低轉子
|
16
|
鋼珠
|
21
|
閥片
|
|
2
|
鍵
|
7
|
密封圈
|
12
|
彈簧
|
17
|
手柄
|
22
|
檔板
|
|
3
|
前端板
|
8
|
排氣罩
|
13
|
底轉片
|
18
|
放油塞
|
23
|
油蓋
|
|
4
|
高轉子
|
9
|
過濾網
|
14
|
后端板
|
19
|
紙墊
|
24
|
定位銷釘
|
|
5
|
高轉片
|
10
|
泵體
|
15
|
彈簧
|
20
|
閥座
|
7、2X旋片式真空泵抽氣過程:見圖2,氣體由進氣嘴進入高真空室,起初是高壓強,高低真空室都充滿大氣,兩個排氣門都打開排氣。隨著抽氣的進行,氣壓下降(即真空度提高),高真空室壓力不足以推開排氣門,氣體經中隔板進入低真空室,此時壓力亦不足推開排氣門,但低真空室進入有一定量油,幫助推開排氣門,氣體亦隨之排出。排出的氣體平雜著的油粒,經擋油網濾而使油分離,只有氣體排出泵外,氣體路徑見圖2。
8、2X旋片式真空泵油密封室里的油,由油池A經前端板上的孔供給。低真空室里的油,由油池A經后端板上的孔供給。高真空室的油,由中隔板上的孔,循環供給。2X旋片式真空泵前后端蓋的密封是由泵體上部的油池B經泵體端面室的孔而流入油槽進行密封。
四、旋片真空泵操作須知:
1、查看油位。油位應在油標中心,油位過低,對排氣閥不能密封,影響真空度;油位過高,會引起起動時噴油。運轉前,先將三角帶脫下,將電機轉向校正后,再起動,以免噴油。運轉時,油位略有升高,屬正常現象。油量不足時,采用l號真空泵油,從加油孔加入。油需經過濾,以免雜物進入,堵塞油孔。
2、2X型真空泵泵口如裝接電磁閥,應與泵同時動作。
3、2X型真空泵開始起動時,應先點動起動按鈕一、二次,以使泵腔內的油壓至油箱內,然后再正式起動運轉。
4、環境溫度較高時,油溫升高,粘度下降,飽和蒸汽增大,會引起極限真空下降,應加強通風散熱。
5、檢查泵的極限真空,應采用壓縮式水銀真空計。真空計應與泵口直接接通,運轉30分鐘內,將達到極限真空。
6、2X型真空泵停泵前應先關閉吸氣口處閥門,與真空系統隔絕,然后停泵。
7、帶有氣鎮閥的泵如在抽吸氣體中含有較多的可凝性蒸汽時,要打開氣鎮閥。




